Con lăn ổ bánh xích đơn hàng
Cat:Con lăn ổ đĩa Sprocket
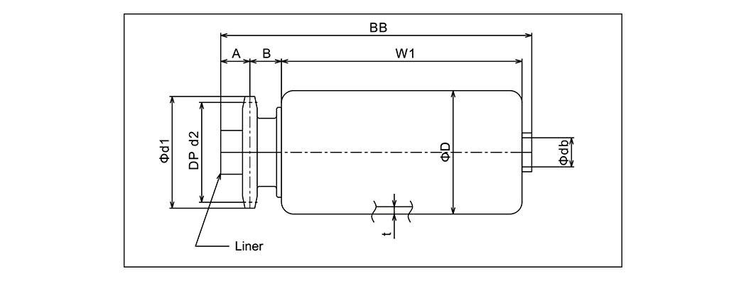
Kiểu Kích thước con lăn Chiều rộng con lăn Vật li...
Một con lăn điều khiển là một loại con lăn nhàn rỗi được sử dụng trong các băng tải con lăn được cấp nguồn, thường được trang bị các bánh xe truyền động như sprockets, ròng rọc đa dây, ròng rọc thời gian, ròng rọc vành đai V hoặc con lăn có xu hướng O. Các con lăn điều khiển với Sprockets cung cấp công suất tải cao, với những con suối thường được làm bằng thép và có sẵn trong các thông số kỹ thuật khác nhau dựa trên các yêu cầu tải. Các con lăn điều khiển với các ròng rọc đa dây, ròng rọc thời gian và ròng rọc vành V được thiết kế cho các hệ thống điều khiển vành đai và có khả năng tải nhẹ hơn. Các con lăn Gro yêu thích cũng được sử dụng cho băng tải lăn hạng nhẹ, với công suất tải thấp hơn các con lăn điều khiển bằng đai.

Kiểu Kích thước con lăn Chiều rộng con lăn Vật li...
| Kiểu | Kích thước con lăn | Chiều rộng con lăn | Vật liệu con lăn | Mang | Đường kính trục | Kích thước lớp lót | Bánh xích | d | D2 | MỘT | B | W1 | Bb |
| KR-384010 | 38.1 × 2.3 | 100 ~ 800 | STKM | 6001zz · 6201z | 12.0 | 18 × 12,2 × 26 | #40 × 10ts | 46 | 41.1 | 12 | 14 | W-1 | W 28 |
| KR-424010 | 42,7 × 2.3 | 100 ~ 800 | STKM | 6001zz · 6201z | 12.0 | 18x12.2 × 26 | #40 × 10ts | 46 | 41.1 | 12 | 14 | W | W 28 |
| KR-484010 | 48,6 × 3,5 | 100 ~ 800 | SGP40A | 6001zz · 6201z | 12.0 | 18 × 12,2 × 26 | #40 × 10ts | 46 | 41.1 | 12 | 11 | W 5 | W 28 |
| KR-504010 | 50,8 × 1.6 | 100 ~ 800 | STKM | 6001zz · 6201z | 12.0 | 18 × 12,2 × 26 | #40 × 10ts | 46 | 41.1 | 12 | 13 | W-1 | W 28 |
| KR-574010 | 57.1 × 2.1 | 100 ~ 1000 | STKM | 6001zz · 6201z | 12.0 | 18 × 12,2 × 26 | #40 × 10ts | 46 | 41.1 | 12 | 13 | W | W 28 |
| KR-604010 | 60,5 × 2.3 | 100 ~ 1000 | STKM | 6001zz · 6201z | 12.0 | 18 × 12,2 × 26 | #40 × 10ts | 46 | 41.1 | 12 | 13 | W | W 28 |
| KR-605011s | 60,5 × 3. | 100 ~ 1000 | SGP50A | 6002zz | 15.0 | 21 × 15,2 × 41,5 · 21 × 15,2 × 12 | #50 × 11ts | 63 | 56.35 | 20 | 18 | W 3 | W 48 |
| KR-765011 | 76.3 × 4.2 | 100 ~ 1000 | SGP65A | 6002zz | 15.0 | 21 × 15,2 × 41,5 · 21 × 152 × 12 | #50 × 11ts | 63 | 56.35 | 20 | 18 | W 2 | W 48 |
| KR-605013 | 60,5 × 3,8 | 100 ~ 1000 | SGP50A | 6004zz | 20.0 | 29 × 20,2 × 38,5 · 29 × 20,2 × 15 | #50 × 13ts | 73 | 66.34 | 20 | 18 | W 1 | W 48 |
| KR-765013 | 76.3 × 4.2 | 100 ~ 1000 | SGP65A | 6004zz | 20.0 | 29x20.2x38,5 · 29 × 20,2 × 15 | #50 × 13ts | 73 | 66.34 | 20 | 18 | W 2 | W 48 |
| KR-895013 | 89,1 × 4.2 | 100 ~ 1000 | SGP80A | 6004zz | 20.0 | 29 × 20.2x38,5 · 29 × 202x15 | #50 × 13ts | 73 | 66.34 | 20 | 18 | W | W 48 |
| KR-1146014 | 114.3 × 4,5 | 300 ~ 2000 | SGP100A | 6205zz | 25.0 | 35 × 26 × 19 · 35 × 26 × 21 | #60 × 14ts | 93 | 85.61 | 20 | 23 | W | W 58 |
| KR-1406016 | 139,8 × 4,5 | 300 ~ 2000 | SGP125A | 6206zz | 30.0 | 38 × 31,1 × 19 · 38 × 31,1 × 21 | #60 × 16ts | 107 | 97.65 | 20 | 23 | W | W 58 |

Kiểu Kích thước con lăn Chiều rộng con lăn Vật li...
| Kiểu | Kích thước con lăn | Chiều rộng con lăn | Vật liệu con lăn | Mang | Đường kính trục | Kích thước lớp lót | Bánh xích | D1 | D2 | MỘT | B | C | W1 | Bb |
| KR-384010 | 38.1 × 2.3 | 100 ~ 800 | STKM | 6001zz · 6201z | 12.0 | 18 × 12,2 × 53 | #40 × 10tsw | 46 | 41.1 | 12 | 23 | 18 | W-1 | W 58 |
| KR-424010SW | 42,7 × 2.3 | 100 ~ 800 | STKM | 6001zz · 6201z | 12.0 | 18 × 12,2 × 53 | #40 × 10tsw | 46 | 41.1 | 12 | 23 | 18 | W | W 58 |
| KR-484010SW | 48,6 × 3,5 | 100 ~ 800 | SGP40A | 6001zz · 6201z | 12.0 | 18 × 12,2 × 53 | #40 × 10tsw | 46 | 41.1 | 12 | 23 | 15 | W 5 | W 58 |
| KR-504010 | 50,8 × 1.6 | 100 ~ 800 | STKM | 6001zz · 6201z | 12.0 | 18 × 12,2 × 53 | #40x10tsw | 46 | 41.1 | 12 | 23 | 18 | W-1 | W 58 |
| KR-574010 | 57.1 × 2.1 | 100 ~ 1000 | STKM | 6001zz · 6201z | 12.0 | 18 × 12,2 × 53 | #40 × 10tsw | 46 | 41.1 | 12 | 23 | 18 | W | W 58 |
| KR-604010SW | 60,5 × 2.3 | 100 ~ 1000 | STKM | 6001zz · 6201z | 12.0 | 18 × 12,2 × 53 | #40 × 10tsw | 46 | 41.1 | 12 | 23 | 18 | W | W 58 |
| KR-605011SW | 60,5 × 3,8 | 100 ~ 1000 | SGP50A | 6002zz | 15.0 | 21x15.2 × 66,5 · 21 × 15.2x12 | #50 × 11tsw | 63 | 56.35 | 20 | 25 | 18 | W 3 | W 7 |
| KR-765011SW | 76.3 × 4.2 | 100 ~ 1000 | SGP65A | 6002zz | 15.0 | 21 × 15,2 × 66,5 · 21 × 15.2 × 12 | #50 × 11tsw | 63 | 56.35 | 20 | 25 | 18 | W 2 | W 73 |
| KR-605013SW | 60,5 × 3,8 | 100 ~ 1000 | SGP50A | 6004zz | 20.0 | 29 × 20,2 × 63,5 · 29 × 20,2 × 15 | #50 × 13TSW | 73 | 66.34 | 20 | 25 | 18 | W 1 | W 73 |
| KR-765013SW | 76.3 × 4.2 | 100 ~ 1000 | SGP65A | 600422 | 20.0 | 29 × 20,2 × 63,5 · 29 × 20.2x15 | #50 × 13TSW | 73 | 66.34 | 20 | 25 | 18 | W 2 | W 73 |
| KR-895013SW | 89,1 × 4.2 | 100 ~ 1000 | SGP80A | 6004zz | 20.0 | 29 × 20,2 × 63,5 · 29 × 20,2 × 15 | #50 × 13TSW | 73 | 66.34 | 20 | 25 | 18 | W | W 73 |

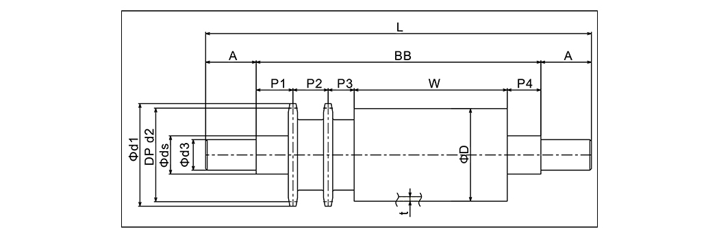
Kiểu Kích thước con lăn Tàu con lăn Con lăn Maten...
| Kiểu | Kích thước con lăn | Tàu con lăn | Con lăn Matenal | REMỘTRNG | Đường kính trục | Bánh xích | D1 | D2 | D3 | A | L | Bb | P1 | P2 | P3 | P4 |
| KPR-574015SW | 57,2 × 2.6 | 300 ~ 2000 | STKM | UCPA204 | 25xW 152 | #40 × 15tsw | 67 | 61.08 | 20 | 33 | W 152 | W 86 | 24 | 23 | 17 | 22 |
| KPR-604015SW | 60,5 × 3,8 | 300 ~ 2000 | STKM | UCPA204 | 25xW 152 | #40 × 15tsw | 67 | 61.08 | 20 | 33 | W 152 | W 86 | 24 | 23 | 17 | 22 |
| KPR-765013SW | 76.3 × 4.2 | 300 ~ 2000 | SGP65A | UCPA204 | 25XW 163 | #50 × 13TSW | 73 | 66.34 | 20 | 33 | W 163 | W 97 | 32 | 25 | 18 | 22 |
| KPR-895013SW | 89,1 × 4.2 | 300 ~ 2000 | SGP80A | UCPA206 | 35XW 169 | #50 × 13TSW | 73 | 66.34 | 30 | 39 | W 169 | W 91 | 29 | 25 | 18 | 19 |
| KPR-1015018SW | 101,6 × 4,5 | 300 ~ 2000 | SGP90A | UCPA206 | 35XW 169 | #50 × 18TSW | 98 | 91.42 | 30 | 39 | W 169 | W 91 | 29 | 25 | 18 | 19 |
| KPR-1145018SW | 114.3 × 4,5 | 300 ~ 2000 | SGP100A | UCPA206 | 35XW 169 | #50 × 18TSW | 98 | 91.42 | 30 | 39 | W 169 | W 91 | 29 | 25 | 18 | 19 |
| KPR-1405018SW | 139,8 × 4,5 | 300 ~ 2000 | SGP125A | UCPA206 | 35XW 169 | #50 × 18TSW | 98 | 91.42 | 30 | 39 | W 169 | W 91 | 29 | 25 | 18 | 19 |

Kiểu Kích thước con lăn Chiều rộng con lăn Vật li...
| Kiểu | Kích thước con lăn | Chiều rộng con lăn | Vật liệu con lăn | Mang | Đường kính trục | Kích thước lớp lót | Bánh xích | |||||
| MAC-CN384010 | 38.1 × 2.3 | 100 ~ 800 | STKM | 6001zz · 6201z | 12.0 | 18 × 12,2 × 17 | #40 × 10ts | |||||
| MAC-CN424010 | 42,7 × 2.3 | 100 ~ 1000 | STKM | 6001zz · 6201z | 12.0 | 18x12.2 × 17 | #40 × 10ts | |||||
| MAC-CN484010 | 48,6 × 3,5 | 100 ~ 1000 | SGP40A | 60012Z · 6201Z | 12.0 | 18 × 12,2 × 17 | #40 × 10ts | |||||
| MAC-CN504010 | 50,8 × 1.6 | 100 ~ 1000 | STKM | 6001zz · 6201z | 12.0 | 18 × 12,2 × 17 | #40 × 10ts | |||||
| MAC-CN574010 | 57.1 × 2.1 | 100 ~ 1000 | STKM | 6001zz · 6201z | 12.0 | 18 × 12,2 × 17 | #40 × 10ts | |||||
| MAC-CN604010 | 60,5 × 2.3 | 100 ~ 1000 | STKM | 6001zz · 6201z | 12.0 | 18 × 12,2 × 17 | #40 × 10ts | |||||
| Kiểu | Kích thước con lăn | Chiều rộng con lăn | Vật liệu con lăn | Mang | Đường kính trục | Bánh xích | ||||||
| MAC-CS384010 | 38.1 × 2.3 | 100 ~ 800 | STKM | 6001zz · 6201z | 12.0 | #40 × 10ts | ||||||
| MAC-CS424010 | 42,7 × 2.3 | 100 ~ 1000 | STKM | 6001zz · 6201z | 12.0 | #40 × 10ts | ||||||
| MAC-CS484010 | 48,6 × 3,5 | 100 ~ 1000 | SGP40A | 6001zz · 6201z | 12.0 | #40 × 10ts | ||||||
| MAC-CS504010 | 50,8 × 1.6 | 100 ~ 1000 | STKM | 6001zz · 6201z | 12.0 | #40 × 10ts | ||||||
| MAC-CS574010 | 57.1 × 2.1 | 100 ~ 1000 | STKM | 6001zz · 6201z | 12.0 | #40 × 10ts | ||||||
| MAC-CS604010 | 60,5 × 2.3 | 100 ~ 1000 | STKM | 6001zz · 6201z | 12.0 | #40 × 10TS | ||||||

Kiểu Kích thước con lăn Chiều rộng con lăn Vật li...
| Kiểu | Kích thước con lăn | Chiều rộng con lăn | Vật liệu con lăn | Mang | Đường kính trục | Kích thước lớp lót | Bánh xích |
| MAC-CN384010SW | 38.1 × 2.3 | 100 ~ 800 | STKM | 6001Z · 6201Z | 12.0 | 18 × 12,2 × 17 | #40 × 10ts |
| MAC-CN424010SW | 42,7 × 2.3 | 100 ~ 1000 | STKM | 6001zz · 6201z | 12.0 | 18 × 12,2 × 17 | #40 × 10ts |
| MAC-CN484010SW | 48,6 × 3,5 | 100 ~ 1000 | SGP40A | 6001zz · 6201z | 12.0 | 18 × 12,2 × 17 | #40 × 10ts |
| MAC-CN504010SW | 50,8 × 1.6 | 100 ~ 1000 | STKM | 6001Z · 6201Z | 12.0 | 18 × 12,2 × 17 | #40 × 10ts |
| MAC-CN574010SW | 57.1 × 2.1 | 100 ~ 1000 | STKM | 6001zz · 6201z | 12.0 | 18 × 12,2 × 17 | #40 × 10ts |
| MAC-CN604010SW | 60,5 × 2.3 | 100 ~ 1000 | STKM | 6001zz · 6201z | 12.0 | 18 × 12,2 × 17 | #40 × 10TS |

Kiểu Kích thước con lăn Chiều rộng con lăn Vật li...
| Kiểu | Kích thước con lăn | Chiều rộng con lăn | Vật liệu con lăn | Mang | Đường kính trục | Kích thước lớp lót | Bánh xích | D1 | D2 |
| MAC-CN605010SW | 60,5 × 2.3 | 100 ~ 1000 | STKM | 6002Z7 · 61902Z | 15.0 | 20 × 15,2 × 16 | #50 × 10ts | 57.43 | 51.37 |
| MAC-CN765013SW | 76.3 × 2.0 | 100 ~ 1000 | STKM | 6204zz · 61904z | 20.0 | 25 × 20,2 × 22 | #50 × 13TS | 73 | 66.34 |

Trung tâm r 1000 Tổng chiều dài Chiều rộn...
| Trung tâm r | 1000 | Tổng chiều dài | Chiều rộng con lăn | Băng tải rộng | Con đường hẹp | Đường kính lớn | Đang tải con lăn | Trọng lượng của con lăn | |||
| Bánh xích | #40 × 10tsw | (∅) | Độ dày | (∅) | Độ dày | ||||||
| W chiều rộng con lăn | 200 ~ 600 | 258 | 200 | 260 | 51.5 | 3.0 | 62.5 | 2.6 | 1842 | 1236 | |
| Vật liệu con lăn | STKM | 358 | 300 | 360 | 48.8 | 3.0 | 65.2 | 2.6 | 1215 | 1643 | |
| Đất | 6001zz · 6201z | 458 | 400 | 460 | 46.0 | 3.1 | 68.0 | 2.6 | 911 | 2050 | |
| Đường kính trục DB | 12.0 | 558 | 500 | 560 | 43.3 | 3.2 | 70.7 | 2.4 | 725 | 2456 | |
| DC × DC × LC/kích thước lớp lót | 18 × 12,2 × 53 · 18 × 12,2 × 7 | 658 | 600 | 660 | 41.3 | 3.3 | 74.0 | 2.3 | 597 | 2863 | |
| Trung tâm r | 1200 | Tổng chiều dài | Chiều rộng con lăn | Băng tải rộng | Con đường hẹp | Đường kính lớn | Đang tải con lăn | Trọng lượng của con lăn | |||
| Bánh xích | #40 × 10tsw | (∅) | Độ dày | (∅) | Độ dày | ||||||
| W chiều rộng con lăn | 200 ~ 600 | 258 | 200 | 260 | 52.1 | 2.9 | 61.9 | 2.5 | 1842 | 1.132 | |
| Vật liệu con lăn | STKM | 358 | 300 | 360 | 49.7 | 3.0 | 64.3 | 2.4 | 1215 | 1487 | |
| Đất | 6001zz · 6201z | 458 | 400 | 460 | 47.3 | 3.1 | 65.7 | 2.4 | 911 | 1842 | |
| Đường kính trục DB | 12.0 | 558 | 500 | 560 | 45.0 | 3.2 | 69.2 | 2.8 | 725 | 2197 | |
| DC × DC × LC/kích thước lớp lót | 18 × 12,2 × 53 · 18 × 12,2 × 7 | 658 | 600 | 660 | 45.0 | 3.2 | 74.0 | 2 | 597 | 2552 | |
| Trung tâm r | 1500 | Tổng chiều dài | Chiều rộng con lăn | Băng tải rộng | Con đường hẹp | Đường kính lớn | Đang tải con lăn | Trọng lượng của con lăn | |||
| Bánh xích | #40 × 10tsw | (∅) | Độ dày | (∅) | Độ dày | ||||||
| W chiều rộng con lăn | 200 ~ 600 | 258 | 200 | 260 | 52.6 | 2.7 | 61.4 | 2.8 | 1842 | 1233 | |
| Vật liệu con lăn | STKM | 358 | 300 | 360 | 50.4 | 2.9 | 63.6 | 2.7 | 1215 | 1645 | |
| Đất | 6001zz · 6201z | 458 | 400 | 460 | 48.0 | 3.1 | 65.4 | 2.4 | 911 | 2046 | |
| Đường kính trục DB | 12.0 | 558 | 500 | 560 | 48.0 | 3.4 | 69.8 | 2.4 | 725 | 2452 | |
| DC × DC × LC/kích thước lớp lót | 18 × 12,2 × 53 · 18 × 12,2 × 7 | 658 | 600 | 660 | 48.0 | 3.1 | 74.0 | 2.1 | 597 | 2.86 | |
| Trung tâm r | 2000 | Tổng chiều dài | Chiều rộng con lăn | WDE của băng tải | Con đường hẹp | Đường kính lớn | Đang tải con lăn | Trọng lượng của con lăn | |||
| Bánh xích | #40 × 10tsw | (∅) | Độ dày | (∅) | Độ dày | ||||||
| W chiều rộng con lăn | 400 ~ 800 | 458 | 400 | 460 | 50.0 | 3.0 | 62.5 | 2.3 | 911 | 1990 | |
| Vật liệu con lăn | STKM | 558 | 500 | 560 | 50.0 | 3.0 | 65.6 | 2.2 | 725 | 2398 | |
| Đất | 6001zz · 6201z | 658 | 600 | 660 | 50.0 | 3.0 | 68.8 | 2.2 | 597 | 2797 | |
| Đường kính trục DB | 12.0 | 758 | 700 | 760 | 50.0 | 3.0 | 71.9 | 2.1 | 519 | 3210 | |
| DC × DC × LC/kích thước lớp lót | 18 × 12,2 × 53 · 18 × 12,2 × 7 | 858 | 800 | 860 | 50.0 | 3.0 | 75.0 | 2.0 | 450 | 3620 | |

Trung tâm r 500 Tổng chiều dài Chiều rộng...
| Trung tâm r | 500 | Tổng chiều dài | Chiều rộng con lăn | Băng tải rộng | Con đường hẹp | Đường kính lớn | |
| Bánh xích | #40 × 10tsw | (∅) | (∅) | ||||
| W chiều rộng con lăn | 300 ~ 700 | 328 | 300 | 330 | 42.7 | 60 | |
| Vật liệu con lăn | STKM | 428 | 400 | 430 | 42.7 | 65 | |
| Đất | 6001zz · 6201z | 528 | 500 | 530 | 42.7 | 75 | |
| Đường kính trục DB | 12.0 | 628 | 600 | 630 | 42.7 | 80 | |
| DC × DC × LC/kích thước lớp lót | 18 × 12,2 × 27 · 18 × 12,2 × 7 | 728 | 700 | 730 | 42.7 | 89 |
| Trung tâm r | 900 | Tổng chiều dài | Chiều rộng con lăn | Băng tải rộng | Con đường hẹp | Đường kính lớn | |
| Bánh xích | #40 × 10tsw | (∅) | (∅) | ||||
| W chiều rộng con lăn | 300 ~ 700 | 328 | 300 | 330 | 42.7 | 56 | |
| Vật liệu con lăn | STKM | 428 | 400 | 430 | 42.7 | 60 | |
| Đất | 6001zz · 6201z | 528 | 500 | 530 | 42.7 | 65 | |
| Đường kính trục DB | 12.0 | 628 | 600 | 630 | 42.7 | 70 | |
| DC × DC × LC/kích thước lớp lót | 18 × 12,2 × 27 · 18 × 12,2 × 7 | 728 | 700 | 730 | 42.7 | 75 |
| Trung tâm r | 900 | Tổng chiều dài | Chiều rộng con lăn | Băng tải rộng | Con đường hẹp | Đường kính lớn | |
| Bánh xích | #40 × 10tsw | (∅) | (∅) | ||||
| W chiều rộng con lăn | 800 ~ 1000 | 828 | 800 | 830 | 42.7 | 65 | |
| Vật liệu con lăn | STKM | 928 | 900 | 930 | 42.7 | 70 | |
| Đất | 6001zz · 6201z | 1028 | 1000 | 1030 | 42.7 | 75 | |
| Đường kính trục DB | 12.0 | ||||||
| DC × DC × LC/kích thước lớp lót | 18 × 12,2 × 27 · 18 × 12,2 × 7 |

Kiểu Kích thước con lăn Chiều rộng con lăn Vật li...
| Kiểu | Kích thước con lăn | Chiều rộng con lăn | Vật liệu con lăn | Mang | Đường kính trục | Ròng rọc polyvee |
| DQR-3812 | 38.1 × 12 | 100 ~ 1000 | STKM | 6001zz | 12.0 | Q235 |
| DQRS-3815 | 38,1 × 1,5 | 100 ~ 1000 | SUS304/201 | 6001zz | 12.0 | Q235/Sus |
| DQR-5015 | 50,8 × 1,5 | 100 ~ 1000 | STKM | 6002zz | 12.0 | Nhựa |
| DQRS-5015 | 50 × 1,5 | 100 ~ 1000 | SUS304/201 | 6002zz | 12.0 | Nhựa |
| DQR-5721 | 57.2 × 2.1 | 100 ~ 1000 | STKM | 6001zz | 12.0 | Q235 |
| DQR-6023 | 60,5 × 2.3 | 100 ~ 1000 | STKM | 6002zz | 12.0 | Q235 |
| DQRS-6020 | 60 × 2.0 | 100 ~ 1000 | SUS304/201 | 6002zz | 12.0 | Q235/sus/nhựa |
| DQR-7620 | 76.3 × 2.0 | 100 ~ 1000 | STKM | 6001zz | 12.0 | Q235 |
| DQRS-7620 | 76 × 2.0 | 100 ~ 1000 | SUS304/201 | 6001zz | 12.0 | Q235/SUS |

Kiểu Kích thước con lăn Chiều rộng con lăn Vật li...
| Kiểu | Kích thước con lăn | Chiều rộng con lăn | Vật liệu con lăn | Mang | Đường kính trục | Vnbbed Pully |
| VR-3812 | 38.1 × 1.2 | 100 ~ 1000 | STKM | 6001zz | 12.0 | Q235 |
| VRS-3815 | 38 × 1,5 | 100 ~ 1000 | SUS304/201 | 6001zz | 12.0 | Q235/Sus |
| VR-5015 | 50,8 × 1,5 | 100 ~ 1000 | STKM | 6001zz | 12.0 | Q235 |
| VRS-5015 | 50 × 1,5 | 100 ~ 1000 | SUS304/201 | 6001zz | 12.0 | Q235/Sus |
| VR-5721 | 57.2 × 2.1 | 100 ~ 1000 | STKM | 6001zz | 12.0 | Q235 |
| VR-6023 | 60,5 × 2.3 | 100 ~ 1000 | STKM | 6001zz | 12.0 | Q235 |
| VRS-6020 | 60 × 2.0 | 100 ~ 1000 | SUS304/201 | 6001zz | 12.0 | Q235/Sus |
| VR-7620 | 76.3 × 2.0 | 100 ~ 1000 | STKM | 6001zz | 12.0 | Q235 |
| VRS-7620 | 76 × 2.0 | 100 ~ 1000 | SUS304/201 | 6001zz | 12.0 | Q235/SUS |

Kiểu Kích thước con lăn Chiều rộng con lăn Vật li...
| Kiểu | Kích thước con lăn | Chiều rộng con lăn | Vật liệu con lăn | Đường kính trục | Mang |
| OR-3812 | 38.1 × 1.2 | 100 ~ 1000 | STKM | 12.0 | Ss |
| ORS-3815 | 38,1 × 1,5 | 100 ~ 1000 | SUS304/201 | 12.0 | Ss/SU |
| OR-4214 | 42,7 × 1.4 | 100 ~ 1000 | STKM | 12.0 | Ss |
| OR-5015 | 50,8 × 1,5 | 100 ~ 1000 | STKM | 12.0 | Ss |
| ORS-5015 | 50 × 1,5 | 100 ~ 1000 | SUS304/201 | 12.0 | Ss/nhựa |
| OR-5721 | 57.2 × 2.1 | 100 ~ 1000 | STKM | 12.0 | SS |
| OR-6023 | 60,5 × 2.3 | 100 ~ 1000 | STKM | 12.0 | SS |
| ORS-6020 | 60 × 2.0 | 100 ~ 1000 | SUS304/201 | 12.0 | SS/RESIN |
Tại sao việc bảo trì băng tải con lăn ảnh hưởng trực tiếp đến tuổi thọ hệ thống Băng tải con lăn ...
Đọc thêmĐiều gì tạo nên băng tải con lăn thực sự có tải trọng nặng? Băng tải con lăn hạng nặng được xác định k...
Đọc thêmBăng tải con lăn là gì và tại sao loại này lại quan trọng? Băng tải con lăn là hệ thống xử lý...
Đọc thêmTại sao băng tải con lăn vẫn là xương sống của việc xử lý vật liệu Băng tải con lăn nâng cao ...
Đọc thêmHệ thống băng tải di chuyển hàng triệu tấn vật liệu mỗi ngày qua các nhà máy, nhà kho, khu khai thá...
Đọc thêmSơ lược về các loại hệ thống băng tải chính Băng tải đai các hệ thống thuộc một số loại cốt l...
Đọc thêmƯu điểm sản phẩm của Huiqian Wuxi Con lăn điều khiển : Độ bền cao và khả năng chịu tải
Công ty sản xuất máy móc hậu cần của Wuxi Huiqian, nổi tiếng với sự tích hợp của công nghệ hậu cần tiên tiến của Nhật Bản, đứng đầu trong sự đổi mới trong ngành xử lý vật liệu. Công ty chuyên sản xuất một loạt các thiết bị hậu cần chất lượng cao, bao gồm cả con lăn điều khiển , băng tải lăn, và nhiều thành phần quan trọng khác. Với sự kết hợp với độ chính xác, độ tin cậy và hiệu suất, các con lăn điều khiển Wuxi Huiqian, được thiết kế để đáp ứng nhu cầu đa dạng của các ngành công nghiệp dựa vào các hệ thống xử lý vật liệu hiệu quả và đáng tin cậy.
Con lăn điều khiển đóng một vai trò quan trọng trong nhiều quy trình hậu cần và sản xuất. Cho dù để di chuyển các mặt hàng lớn, nặng hoặc các gói nhỏ, các con lăn này là các hệ thống không thể thiếu cho các hệ thống tự động hợp lý hóa quy trình công việc và tăng hiệu quả. Các con lăn điều khiển của Wuxi Huiqian, bao gồm các con lăn ổ đĩa gai và con lăn ổ côn, được thiết kế cho độ bền và hiệu suất tối ưu trong môi trường hoạt động khác nhau. Sự kết hợp của các vật liệu tiên tiến, công nghệ tiên tiến và các thiết kế có thể tùy chỉnh làm cho các con lăn này trở thành một lựa chọn ưa thích cho các ngành công nghiệp trên toàn cầu.
Wuxi Huiqian con lăn điều khiển được thiết kế để chịu được tải trọng nặng và sử dụng liên tục trong môi trường đòi hỏi. Các con lăn được xây dựng bằng các vật liệu cường độ cao như thép và thép không gỉ, đảm bảo hiệu suất kéo dài ngay cả trong điều kiện nghiêm ngặt. Sự mạnh mẽ của các vật liệu này đảm bảo rằng các con lăn có thể xử lý các khả năng tải khác nhau, từ các thành phần công nghiệp nhẹ đến các bộ phận máy móc hạng nặng, mà không ảnh hưởng đến tính toàn vẹn cấu trúc của chúng.
Các con lăn ổ đĩa, đặc biệt, được chế tạo bằng thép bền, chất lượng cao để đảm bảo chúng có thể chịu được mô-men xoắn cần thiết để điều khiển các hệ thống băng tải trong các ứng dụng đòi hỏi. Tương tự, các con lăn truyền động thon, được thiết kế với một góc để tạo điều kiện cho hoạt động trơn tru, cũng thể hiện cường độ cao và độ ổn định trong điều kiện tải nặng. Lựa chọn vật liệu tiên tiến giảm thiểu hao mòn, tăng cường khả năng của con lăn để thực hiện trong một tuổi thọ kéo dài.
Một trong những lợi thế chính của các con lăn điều khiển Wuxi Huiqian là tính linh hoạt và khả năng thích ứng của chúng để đáp ứng các yêu cầu cụ thể của khách hàng. Với một nhóm R & D mạnh mẽ, công ty có thể phát triển các giải pháp tùy chỉnh phù hợp với nhu cầu hoạt động độc đáo. Các con lăn điều khiển có thể được điều chỉnh theo kích thước, vật liệu và chức năng phù hợp với một loạt các ứng dụng. Cho dù đó là tùy chỉnh đường kính con lăn, chiều dài hoặc thêm lớp phủ chuyên dụng, WUXI Huiqian hoạt động chặt chẽ với khách hàng để đảm bảo sản phẩm phù hợp với thông số kỹ thuật chính xác.
Khả năng cung cấp các giải pháp phù hợp làm cho các con lăn điều khiển này trở nên lý tưởng cho các ngành công nghiệp khác nhau, bao gồm sản xuất ô tô, sản xuất thực phẩm và đồ uống, kho, hậu cần và thương mại điện tử. Các con lăn có thể được điều chỉnh để phù hợp với các loại hệ thống băng tải và dây chuyền sản xuất khác nhau, làm cho chúng trở thành một thành phần linh hoạt trong bất kỳ hoạt động xử lý vật liệu nào.
Wuxi Huiqian được biết đến với các tiêu chuẩn cao về kỹ thuật chính xác, rất quan trọng để đảm bảo hiệu suất đáng tin cậy của các con lăn điều khiển. Công ty sử dụng các máy CNC (điều khiển số máy tính) tiên tiến để sản xuất các con lăn điều khiển với độ chính xác đặc biệt. Độ chính xác này đảm bảo rằng các con lăn được sản xuất theo các thông số kỹ thuật chính xác cần thiết cho mỗi ứng dụng duy nhất, giảm thiểu khả năng trục trặc hoặc kém hiệu quả.
Việc sử dụng máy móc CNC cũng đảm bảo rằng các con lăn được sản xuất nhất quán với khối lượng lớn, giúp duy trì các tiêu chuẩn sản xuất cao và giảm nguy cơ khuyết tật. Độ chính xác cũng mở rộng đến thiết kế của những chiếc Sprockets và các tính năng thon, đảm bảo rằng các thành phần quan trọng này hoạt động trơn tru và liền mạch trong lắp ráp cuối cùng.
Các con lăn điều khiển WUXI Huiqian được thiết kế để cung cấp hiệu quả hoạt động cao trong khi yêu cầu bảo trì tối thiểu. Các con lăn được thiết kế để giảm ma sát và hao mòn, làm giảm tần suất của các nhiệm vụ bảo trì và mở rộng tuổi thọ của thiết bị. Tính năng này đặc biệt quan trọng trong các ngành công nghiệp nơi cần có hoạt động liên tục và thời gian ngừng hoạt động phải được giảm thiểu.
Các con lăn ổ bánh xích được thiết kế với răng lồng vào nhau làm giảm trượt và tăng cường chuyển điện, đảm bảo hệ thống băng tải hoạt động hiệu quả ngay cả trong điều kiện tải cao. Tương tự, các con lăn truyền động thon được thiết kế để giảm thiểu rủi ro thiệt hại cho băng chuyền hoặc các thành phần xung quanh, cải thiện độ tin cậy chung của hệ thống.
Thiết kế bảo trì thấp của các con lăn điều khiển WUXI Huiqian, làm giảm chi phí hoạt động bằng cách giảm nhu cầu bảo trì và tiềm năng cho thời gian chết bất ngờ. Ngoài ra, công ty cung cấp một hệ thống dịch vụ sau bán hàng toàn diện, đảm bảo rằng mọi vấn đề được giải quyết kịp thời và khách hàng có thể duy trì hoạt động trơn tru của thiết bị của họ.
Các con lăn điều khiển từ WUXI Huiqian được thiết kế để tiết kiệm năng lượng, điều này rất quan trọng để giảm chi phí vận hành của các hệ thống xử lý vật liệu. Các con lăn được thiết kế để giảm thiểu tiêu thụ năng lượng trong khi duy trì sức mạnh cần thiết để điều khiển các hệ thống băng tải. Điều này tập trung vào hiệu quả năng lượng chuyển thành hóa đơn điện thấp hơn cho các doanh nghiệp, góp phần tiết kiệm chi phí chung và tính bền vững môi trường.
Trong thời đại mà các doanh nghiệp ngày càng quan tâm đến tác động môi trường của họ, thiết kế tiết kiệm năng lượng của các con lăn điều khiển Wuxi Huiqian, đảm bảo rằng các công ty có thể hoạt động bền vững mà không phải hy sinh hiệu suất hoặc độ tin cậy.
Con lăn ổ đĩa Sprocket là một trong những loại con lăn điều khiển được sử dụng phổ biến nhất trong các hệ thống băng tải. Các con lăn này được thiết kế để được điều khiển bởi một chuỗi và được trang bị các lò xo giữa khóa dây chuyền, đảm bảo hoạt động trơn tru và đáng tin cậy. Vật liệu được sử dụng cho các con lăn ổ đĩa nhện thường là thép hoặc thép không gỉ chất lượng cao, được chọn cho sức mạnh, độ bền và khả năng xử lý mô-men xoắn được tạo ra bởi ổ đĩa.
Các con lăn ổ đĩa xốp từ WUXI Huiqian được thiết kế với dung sai chính xác để đảm bảo các con mèo con phù hợp hoàn hảo với chuỗi, giảm thiểu độ trượt và tối đa hóa truyền điện. Các con lăn cũng được xử lý để chống mài mòn và ăn mòn, tăng cường tuổi thọ và giảm nhu cầu bảo trì. Việc sử dụng các vật liệu cường độ cao đảm bảo rằng các con lăn này có thể xử lý tải trọng nặng, làm cho chúng phù hợp cho các ứng dụng công nghiệp trong sản xuất, đóng gói và phân phối.
Các con lăn truyền động thon có thiết kế hình nón cho phép di chuyển các vật liệu trơn tru và hiệu quả trên hệ thống băng tải. Taper đảm bảo rằng các vật liệu được hướng dẫn trơn tru dọc theo băng tải, giảm ma sát và tăng cường hiệu quả tổng thể của hệ thống. Vật liệu được sử dụng cho các con lăn truyền động thon thường là thép không gỉ hoặc thép hợp kim có độ bền cao, cung cấp khả năng chống mòn và ăn mòn tuyệt vời, làm cho nó phù hợp với nhiều môi trường khác nhau, bao gồm chế biến thực phẩm, dược phẩm và sử dụng công nghiệp nặng.
Thiết kế thon cũng góp phần vào khả năng của con lăn để xử lý các kích cỡ và trọng lượng khác nhau của vật liệu, làm cho các con lăn này có khả năng thích ứng cao với một loạt các ứng dụng. Các con lăn truyền động thon của Wuxi Huiqian được sản xuất với độ chính xác để đảm bảo rằng góc thon phù hợp trên tất cả các con lăn, cung cấp hiệu suất đồng đều trên toàn bộ hệ thống băng tải.
Việc sử dụng thép không gỉ và thép hợp kim trong việc xây dựng các con lăn điều khiển đảm bảo độ bền của chúng trong môi trường khắc nghiệt hoặc ăn mòn. Những vật liệu này có khả năng chống gỉ, ăn mòn và mài mòn cao, khiến chúng trở nên lý tưởng cho các ngành công nghiệp mà các con lăn tiếp xúc với độ ẩm, hóa chất hoặc các thách thức môi trường khác. Ví dụ, ngành công nghiệp thực phẩm và đồ uống, nơi vệ sinh là ưu tiên, được hưởng lợi từ các đặc tính chống ăn mòn của các con lăn điều khiển bằng thép không gỉ.
Các đặc tính chống ăn mòn của các vật liệu cũng giúp duy trì tính toàn vẹn của hệ thống băng tải theo thời gian, ngăn chặn việc sửa chữa tốn kém và đảm bảo hiệu suất nhất quán.
Công ty sản xuất máy móc hậu cần của Wuxi Huiqian, các con lăn điều khiển của LTD, bao gồm các mô hình ổ đĩa và mô hình ổ đĩa thon, mang lại những lợi thế đáng kể về độ bền, tùy chỉnh, kỹ thuật chính xác và hiệu quả. Bằng cách sử dụng các vật liệu chất lượng cao như thép và thép không gỉ, các con lăn này cung cấp các giải pháp bảo trì thấp, lâu dài cho các ngành công nghiệp từ sản xuất ô tô đến hậu cần và chế biến thực phẩm. Khả năng xử lý tải trọng của họ, giảm mức tiêu thụ năng lượng và hoạt động trơn tru trong môi trường đòi hỏi khiến chúng trở thành một lựa chọn đáng tin cậy cho bất kỳ doanh nghiệp nào muốn tối ưu hóa các hệ thống xử lý vật liệu của nó.
Mang nghề thủ công cho tương lai.
Số 60, Đường Bắc Zhenhu, Thị trấn Hudai, Quận Binhu , WUXI 214100, Trung Quốc







