HRS-1210
Cat:Băng tải con lăn bằng thép không gỉ
Chiều rộng của con lăn W (mm) 100 200 300 ...
Cấu trúc nâng cao, hiệu suất chất lượng cao, dễ sử dụng, độ tin cậy và độ bền cao.
Băng tải con lăn bằng thép không gỉ thường được sử dụng trong các ngành công nghiệp thực phẩm, dược phẩm và hóa học. Một định nghĩa hẹp bao gồm các băng tải hoàn toàn được làm từ thép không gỉ, bao gồm con lăn, vòng bi, trục, ốc vít, đai ốc, khung và hỗ trợ. Nhìn rộng ra, băng tải con lăn bằng thép không gỉ có thể có một số thành phần bằng thép không gỉ theo yêu cầu của khách hàng, trong khi vẫn giữ lại cấu trúc thép không gỉ.

Chiều rộng của con lăn W (mm) 100 200 300 ...
| Chiều rộng của con lăn W (mm) | 100 | 200 | 300 | 400 | |
| Chiều rộng của băng tải W 45 (mm) | 145 | 245 | 375 | 445 | |
| Đang tải con lăn (kg) | 22 | 18 | 12 | 10 | |
| Trọng lượng 1000L của băng tải (kg) | 15p | 5.5 | 8.9 | 12.2 | 15.6 |
| 20p | 4.5 | 7 | 9.6 | 12.2 | |
| Trọng lượng của con lăn (G) | 60 | 107 | 154 | 201 | |

Chiều rộng của con lăn W (mm) 100 200 300 ...
| Chiều rộng của con lăn W (mm) | 100 | 200 | 300 | 400 | 500 | |
| Chiều rộng của băng tải W 75 (mm) | 175 | 275 | 375 | 475 | 575 | |
| Đang tải con lăn (kg) | 30 | 21 | 14 | 10 | 7 | |
| Trọng lượng 3000L của băng tải (kg) | 22p | 21.3 | 28.9 | 36.5 | 44.1 | 51.7 |
| 44p | 16.1 | 20.1 | 24.0 | 27.9 | 31.9 | |
| Trọng lượng của con lăn (G) | 85 | 130 | 183 | 237 | 290 | |

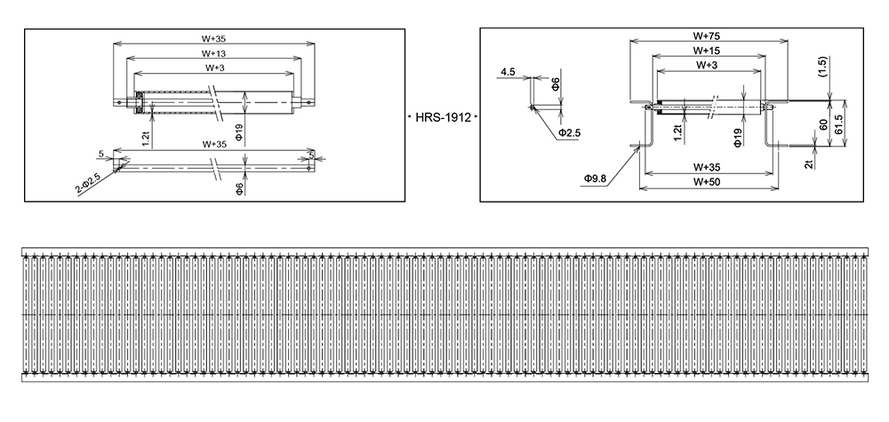
Chiều rộng của con lăn W (mm) 100 200 300 ...
| Chiều rộng của con lăn W (mm) | 100 | 200 | 300 | 400 | 500 | 600 | |
| Chiều rộng của băng tải W 45 (mm) | 175 | 275 | 375 | 475 | 575 | 675 | |
| Đang tải con lăn (kg) | 35 | 35 | 35 | 27 | 22 | 18 | |
| Trọng lượng 2000L của băng tải (kg) | 30p | 15 | 21 | 27 | 32 | 39 | 45 |
| 50p | 12 | 15 | 19 | 23 | 27 | 30 | |
| Trọng lượng của con lăn (G) | 130 | 210 | 300 | 380 | 480 | 560 | |

Chiều rộng của con lăn W (mm) 100 200 300 ...
| Chiều rộng của con lăn W (mm) | 100 | 200 | 300 | 400 | 500 | 600 | |
| Chiều rộng của băng tải W 75 (mm) | 175 | 275 | 375 | 475 | 575 | 675 | |
| Đang tải con lăn (kg) | 75 | 70 | 46 | 35 | 28 | 23 | |
| Trọng lượng 3000L của băng tải (kg) | 50p | 24.3 | 32.4 | 40.5 | 48.6 | 56.7 | 64.2 |
| 75p | 20 | 25.5 | 31.1 | 36.6 | 42.2 | 47.1 | |
| Trọng lượng của con lăn (G) | 217 | 345 | 473 | 601 | 729 | 857 | |

Chiều rộng của con lăn W (mm) 100 200 300 ...
| Chiều rộng của con lăn W (mm) | 100 | 200 | 300 | 400 | 500 | 600 | 700 | 800 | |
| Chiều rộng của băng tải W 75 (mm) | 175 | 275 | 375 | 475 | 575 | 675 | 775 | 875 | |
| Đang tải con lăn (kg) | 135 | 120 | 110 | 90 | 70 | 60 | 50 | 45 | |
| Trọng lượng 3000L của băng tải (kg) | 75p | 29.8 | 38.2 | 42.7 | 51.2 | 59.7 | 67.5 | 75.9 | 80.4 |
| 100p | 25.9 | 32.3 | 35.8 | 42.3 | 48.7 | 54.6 | 61.0 | 64.4 | |
| Trọng lượng của con lăn (G) | 380 | 561 | 742 | 923 | 1104 | 1285 | 1466 | 1647 | |

Chiều rộng của con lăn W (mm) 100 200 300 ...
| Chiều rộng của con lăn W (mm) | 100 | 200 | 300 | 400 | 500 | 600 | 700 | 800 | |
| Chiều rộng của băng tải W 75 (mm) | 175 | 275 | 375 | 475 | 575 | 675 | 775 | 875 | |
| Đang tải con lăn (kg) | 128 | 112 | 96 | 80 | 63 | 52 | 47 | 43 | |
| Trọng lượng 3000L của băng tải (kg) | 75p | 32.6 | 45.8 | 59 | 72.3 | 85.5 | 98.1 | 111.3 | 124.5 |
| 100p | 28 | 38 | 48 | 58.1 | 68.1 | 77.5 | 87.5 | 97.5 | |
| Trọng lượng của con lăn (G) | 467 | 776 | 1084 | 1392 | 1700 | 2008 | 2316 | 2624 | |

Chiều rộng của con lăn W (mm) 100 200 300 ...
| Chiều rộng của con lăn W (mm) | 100 | 200 | 300 | 400 | 500 | 600 | 700 | 800 | |
| Chiều rộng của băng tải W 75 (mm) | 175 | 275 | 375 | 475 | 575 | 675 | 675 | 675 | |
| Đang tải con lăn (kg) | 135 | 120 | 110 | 90 | 70 | 60 | 50 | 45 | |
| Trọng lượng 3000L của băng tải (kg) | 75p | 37.4 | 53.5 | 69.5 | 85.7 | 101.7 | 117.1 | 133.2 | 149.2 |
| 100p | 31.6 | 43.8 | 55.9 | 68.1 | 80.3 | 91.8 | 103.9 | 116.0 | |
| Trọng lượng của con lăn (G) | 544 | 923 | 1302 | 1681 | 2060 | 2439 | 2818 | 3197 | |
Tại sao việc bảo trì băng tải con lăn ảnh hưởng trực tiếp đến tuổi thọ hệ thống Băng tải con lăn ...
Đọc thêmĐiều gì tạo nên băng tải con lăn thực sự có tải trọng nặng? Băng tải con lăn hạng nặng được xác định k...
Đọc thêmBăng tải con lăn là gì và tại sao loại này lại quan trọng? Băng tải con lăn là hệ thống xử lý...
Đọc thêmTại sao băng tải con lăn vẫn là xương sống của việc xử lý vật liệu Băng tải con lăn nâng cao ...
Đọc thêmHệ thống băng tải di chuyển hàng triệu tấn vật liệu mỗi ngày qua các nhà máy, nhà kho, khu khai thá...
Đọc thêmSơ lược về các loại hệ thống băng tải chính Băng tải đai các hệ thống thuộc một số loại cốt l...
Đọc thêmMang nghề thủ công cho tương lai.
Số 60, Đường Bắc Zhenhu, Thị trấn Hudai, Quận Binhu , WUXI 214100, Trung Quốc







