W-3822NPS
Cat:Băng tải bánh xe khung mạ kẽm
Kiểu D*w*d*b Trục Kích thước khung H*W1*...
Cấu trúc nâng cao, hiệu suất chất lượng cao, dễ sử dụng, độ tin cậy và độ bền cao.
Băng tải bánh xe nhựa/hộp nhựa mạ kẽm là thanh thông thạo giá cả phải chăng. Loại dải trôi chảy này được sử dụng làm lan can truyền tải, kệ truyền, v.v., rất phù hợp cho các nơi tải nhẹ. Theo các kịch bản ứng dụng khác nhau, các bánh xe có thể được làm bằng các vật liệu khác nhau và cũng có thể được tùy chỉnh với các chức năng chống tĩnh.

Kiểu D*w*d*b Trục Kích thước khung H*W1*...
| Kiểu | D*w*d*b | Trục | Kích thước khung H*W1*W2*W3*t | Chiều cao H | Chiều dài L | Bánh xe P | Tải một bánh xe đơn (kg) | Loại khung | Bà mẹ con lăn |
| W-3822NPS | 38 × 22,5 × 3,4 | 3,4 × 38L | 33 × 40 × 0.8 (1.0) | 47 | 1000 · 2000 · 3000 | 45 | 10 | Điện áp mạ kẽm | ABS PE |

Kiểu D*w*d*b Trục Kích thước khung H*W1*...
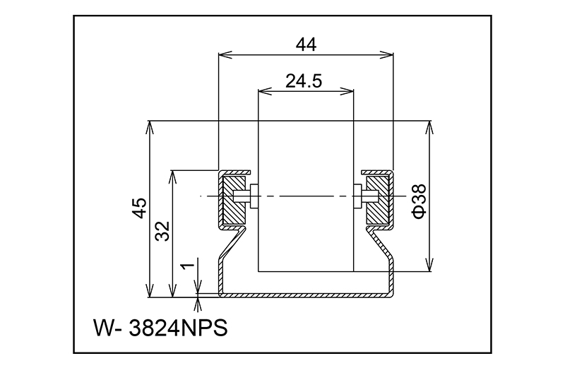
| Kiểu | D*w*d*b | Trục | Kích thước khung H*W1*W2*W3*t | Chiều cao H | Chiều dài L | Bánh xe P | Tải một bánh xe đơn (kg) | Loại khung | Bà mẹ con lăn |
| W-3824NPS | 38 × 24,5 × 3 | 3 × 42L | 32 × 44 × 1.0 | 45 | 1000 · 2000 · 3000 | 45 | 20 | Điện áp mạ kẽm | ABS |

Kiểu D*w*d*b Trục Kích thước khung H*W1*...
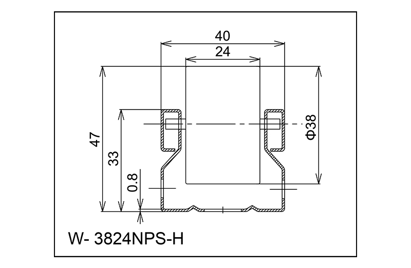
| Kiểu | D*w*d*b | Trục | Kích thước khung H*W1*W2*W3*t | Chiều cao H | Chiều dài L | Bánh xe P | Tải một bánh xe đơn (kg) | Loại khung | Bà mẹ con lăn |
| W-3824NP-H | 38 × 24,5 × 3 | 3 × 38i | 32 × 44 × 0.8 (1.0) | 47 | 1000 · 2000 · 3000 | 45 | 25 | Điện áp mạ kẽm | ABS |

Kiểu D*w*d*b Trục Kích thước khung H*W1*...
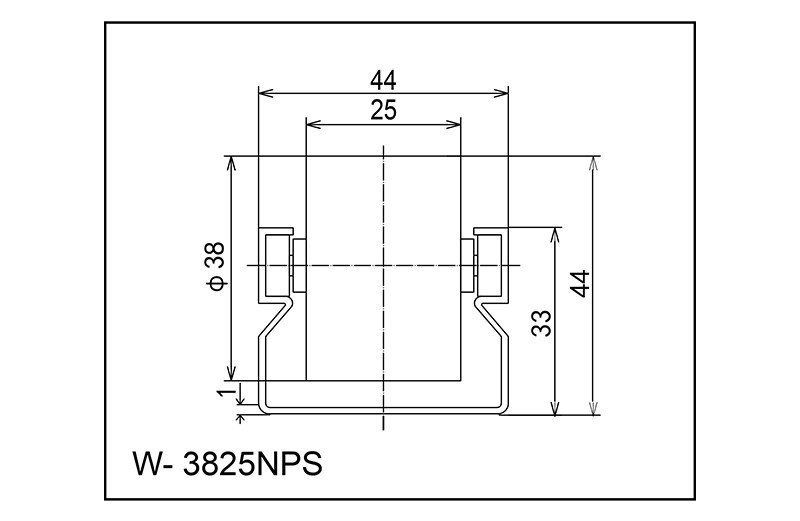
| Kiểu | D*w*d*b | Trục | Kích thước khung H*W1*W2*W3*t | Chiều cao H | Chiều dài L | Bánh xe P | Tải một bánh xe đơn (kg) | Loại khung | Bà mẹ con lăn |
| W-3825NPS | 38 × 25 × 3,8 | 3,8 × 40L | 33 × 44 × 1.0 | 44 | 1000 · 2000 · 3000 | 45 | 20 | Điện áp mạ kẽm | ABS PE |

Kiểu D*w*d*b Trục Kích thước khung H*W1*...
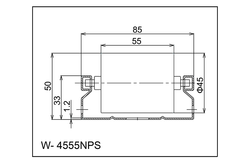
| Kiểu | D*w*d*b | Trục | Kích thước khung H*W1*W2*W3*t | Chiều cao H | Chiều dài L | Bánh xe P | Tải một bánh xe đơn (kg) | Loại khung | Bà mẹ con lăn |
| W-4555NPS | 45 × 55 × 5 | 5 × 80L | 33 × 85 × 1.2 | 50 | 1000 · 2000 · 3000 | 50 | 60 | Điện áp mạ kẽm | PE |

Kiểu D*w*d*b Trục Kích thước khung H*W1*...
| Kiểu | D*w*d*b | Trục | Kích thước khung H*W1*W2*W3*t | Chiều cao H | Chiều dài L | Bánh xe P | Tải một bánh xe đơn (kg) | Loại khung | Bà mẹ con lăn |
| W-4816ABS | 48 × 16 × 6 | 6 × 35L | 38 × 47 × 2.5 | 55 | 1000 · 2000 · 3000 | 45 · 50 · 75 · 100 | 10 | Điện áp mạ kẽm | Gói ổ trục ABS |

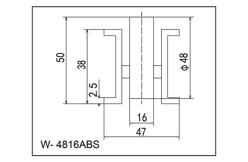
Kiểu D*w*d*b Trục Kích thước khung H*W1*...
| Kiểu | D*w*d*b | Trục | Kích thước khung H*W1*W2*W3*t | Chiều cao H | Chiều dài L | Bánh xe P | Tải một bánh xe đơn (kg) | Loại khung | Bà mẹ con lăn |
| W-4838NPS | 48 × 38 × 10 | 10 × 60L | 42 × 49 × 2 | 55 | 1000 · 2000 · 3000 | 50 · 75 · 100 | 10 | Đảo cuộn lạnh uốn cong | Polyoxymetylen |

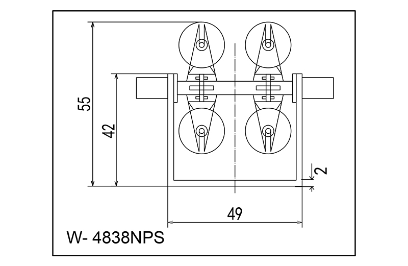
Kiểu D*w*d*b Trục Kích thước khung H*W1*...
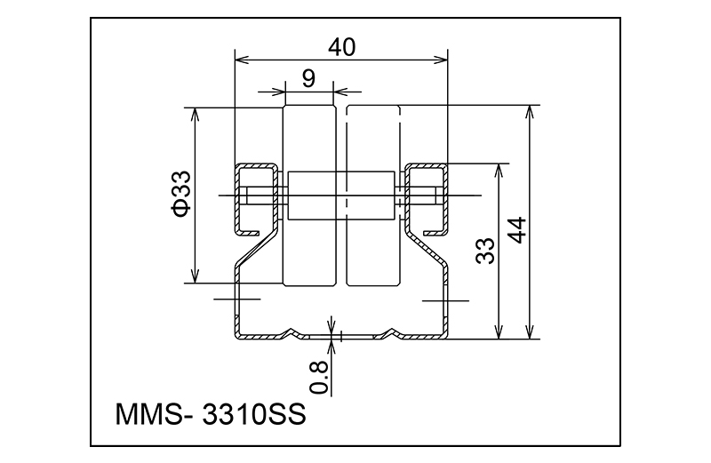
| Kiểu | D*w*d*b | Trục | Kích thước khung H*W1*W2*W3*t | Chiều cao H | Chiều dài L | Bánh xe P | Tải một bánh xe đơn (kg) | Loại khung | Bà mẹ con lăn |
| MMS-3310SS | 33 × 9 × 5 × 21,5 (25,5) | 3,5 × 38L | 33 × 40 × 0.8 | 44 | 1000 · 2000 · 3000 | 22,5 so le | 6 | Điện áp mạ kẽm | PE |

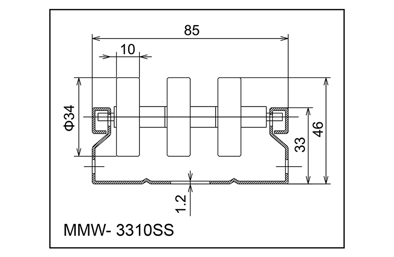
Kiểu D*w*d*b Trục Kích thước khung H*W1*...
| Kiểu | D*w*d*b | Trục | Kích thước khung H*W1*W2*W3*t | Chiều cao H | Chiều dài L | Bánh xe P | Tải một bánh xe đơn (kg) | Loại khung | Bà mẹ con lăn |
| MMW-3310SS | 33 × 10 × 5 × 21,5 (68) | 5 × 82L | 33 × 85 × 1.2 | 46 | 1000 · 2000 · 3000 | 25 loại so le | 10 | Điện áp mạ kẽm | PE |

Kiểu Kích thước con lăn D*w*d*b Trục Kíc...
| Kiểu | Kích thước con lăn D*w*d*b | Trục | Kích thước khung HXWXT | Chiều cao H | Lengeh L | Bánh xe P | Tải một bánh xe đơn (kg) | Vật liệu con lăn |
| W-13G | 13 × 14 × 2.5 | 2,5 × 26L | 22/14 × 30/70 | 16 · 24 | 1000 ~ 2000 | 15 · 30 · 45 | 4 | ABS |

Kiểu Kích thước con lăn D*w*d*b Trục Kíc...
| Kiểu | Kích thước con lăn D*w*d*b | Trục | Kích thước khung HXWXT | Chiều cao H | Lengeh L | Bánh xe P | Tải một bánh xe đơn (kg) | Vật liệu con lăn |
| W-2820g | 28 × 20 × 3 | 3 × 33L | 25 × 35 | 38 | 1000 ~ 3000 | 30 · 45 · 60 | 10 | ABS |

Kiểu Kích thước con lăn D*w*d*b Trục Kíc...
| Kiểu | Kích thước con lăn D*w*d*b | Trục | Kích thước khung HXWXT | Chiều cao H | Lengeh L | Bánh xe P | Tải một bánh xe đơn (kg) | Vật liệu con lăn |
| W-28g | 28 × 25 × 3 | 3 × 37L | 35 × 42 | 38,5 · 42,5 | 1000 ~ 3000 | 30 · 45 · 60 | 10 | ABS |
Tại sao việc bảo trì băng tải con lăn ảnh hưởng trực tiếp đến tuổi thọ hệ thống Băng tải con lăn ...
Đọc thêmĐiều gì tạo nên băng tải con lăn thực sự có tải trọng nặng? Băng tải con lăn hạng nặng được xác định k...
Đọc thêmBăng tải con lăn là gì và tại sao loại này lại quan trọng? Băng tải con lăn là hệ thống xử lý...
Đọc thêmTại sao băng tải con lăn vẫn là xương sống của việc xử lý vật liệu Băng tải con lăn nâng cao ...
Đọc thêmHệ thống băng tải di chuyển hàng triệu tấn vật liệu mỗi ngày qua các nhà máy, nhà kho, khu khai thá...
Đọc thêmSơ lược về các loại hệ thống băng tải chính Băng tải đai các hệ thống thuộc một số loại cốt l...
Đọc thêmMang nghề thủ công cho tương lai.
Số 60, Đường Bắc Zhenhu, Thị trấn Hudai, Quận Binhu , WUXI 214100, Trung Quốc



